LM358 SINGLE SUPPLY DUAL OPERATIONAL AMPLIFIER SOIC-8
The LM358 low offset voltage dual comparator PDIP-8 is a highly efficient dual comparator IC designed for precision voltage comparison in electronic circuits. It features a low-power comparator design, making it ideal for energy-sensitive applications such as solar inverters. With its PDIP-8 package, it allows easy integration into circuit boards, providing stable and accurate performance. The LM358 operates over a wide voltage range, ensuring high reliability in voltage monitoring and control systems.
This LM358 Operational Aplifier is optimized for low offset voltage, reducing signal drift and enhancing accuracy in critical applications. It is widely used in solar inverters, power management systems, and sensor interfaces. The LM2903 datasheet provides detailed specifications, making circuit design straightforward. Its ability to operate with both single and dual power supplies increases its versatility across multiple electronic applications. This dual comparator IC is a preferred choice for engineers looking for a high-precision, low-power solution in renewable energy and industrial systems.
This is a low-power, high-gain IC designed for solar inverters, power management, and signal processing applications. Operating on a single power supply (3V to 32V), it ensures stable performance in amplification, filtering, and control circuits. With low power consumption and high input impedance, it is ideal for energy-efficient systems. The compact SOIC-8 package allows for easy surface-mount PCB integration. Perfect for solar power, industrial automation, and embedded electronics.
Features
- Short Circuit Protected Outputs
- True Differential Input Stage
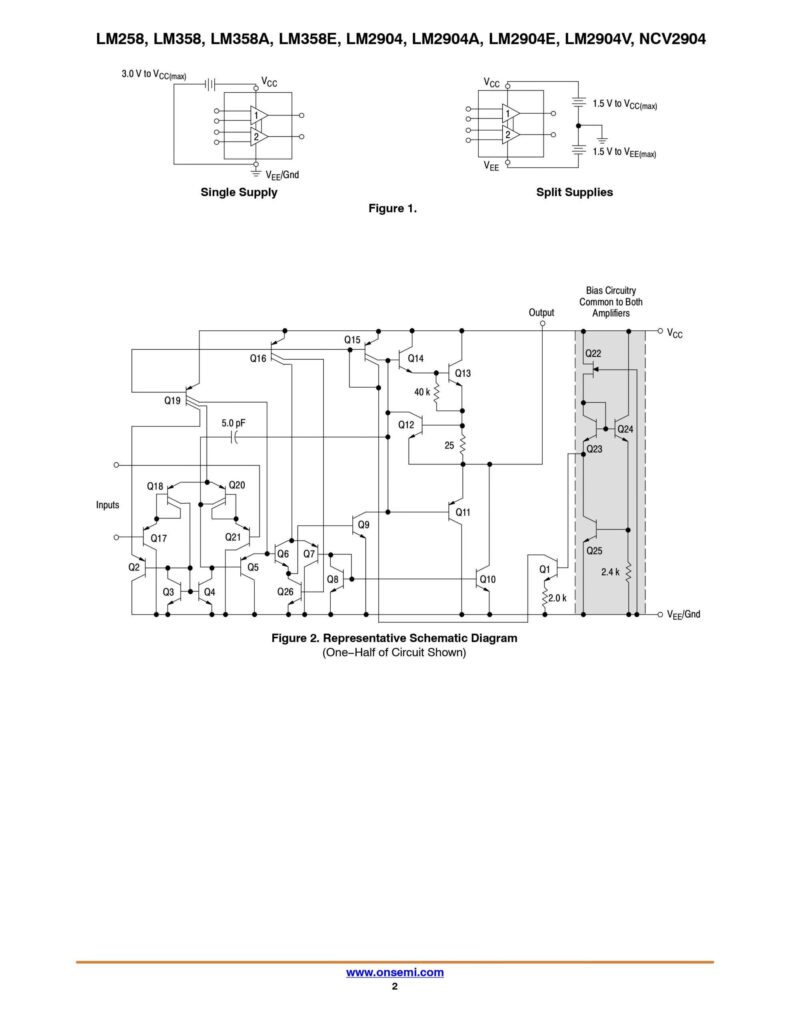
- Single Supply Operation: 3.0 V to 32 V
- Low Input Bias Currents
- Internally Compensated
- Common Mode Range Extends to Negative Supply
- Single and Split Supply Operation
- ESD Clamps on the Inputs Increase Ruggedness of the Device without Affecting Operation
- NCV Prefix for Automotive and Other Applications Requiring Unique Site and Control Change Requirements; AEC−Q100 Qualified and PPAP Capable
- These Devices are Pb−Free, Halogen Free/BFR Free and are RoHS Compliant





Asad Ali (verified owner) –
The quality is top-notch
Rizwan Ahmed (verified owner) –
The quality is top-notch
Zain Abbas (verified owner) –
Very happy with the quality
Shahid Ali (verified owner) –
Highly satisfied with both product and service
Mustaf Hayat (verified owner) –
Excellent customer service
Zain Abbas (verified owner) –
Product arrived exactly as described
Shahbaz Khan (verified owner) –
The quality is top-notch
Zubair Ahmed (verified owner) –
Very happy with my shopping experience
Chaudhry Ghulam (verified owner) –
Perfect fit and fast delivery
Saad Ahmed (verified owner) –
Great value for money
Rahat Fateh Ali (verified owner) –
Professional packaging and on-time delivery.
Ijaz Ahmed Khan (verified owner) –
Bohot hi ala experience raha is baar bhi.